Medlem i

13 years 1 month
Indholdselementer
Billede
Sidebar placering
Venstrestillet


Herpes simplex-virus (HSV) er et DNA-virus, som findes i to forskellige antigentyper. Infektion med HSV medfører morfologiske forandringer i de inficerede celler med kerneinklusioner og dannelse af syncytiale kæmpeceller. De hyppigste kliniske manifestationer er ødem, erytem, vesikler, ulceration og fibrinøs inflammation (1-6). Herpesinfektion kan påvises in vitro ved isolation i vævskultur, antigenpåvisning, morfologiske forandringer eller PCR. Øvre luftvejsinfektion forårsaget af HSV diagnosticeres sjældent hos voksne, er hyppigere hos børn (5, 6), men kan dog ses hos immunosupprimerede voksne i forbindelse med andre patogener (3).

Et letalt forløbende tilfælde af HSV-infektion i de øvre luftveje med komplicerende sepsis og multiorgansvigt præsenteres.

Sygehistorie

En 61-årig, tidligere rask kvinde med et alkoholmisbrug af ukendt størrelse blev indlagt på formodning om epiglottitis. Patienten havde på et halvt døgn udviklet halssmerter med udstråling mod begge ører og tiltagende besvær med at indtage såvel fast som flydende kost. Hun beskrev besværet vejrtrækning, globulusfornemmelse samt irritativ hoste. Objektivt fandtes patienten febril og stridorøs med ømhed over larynxskelettet. Tonsillerne var røde med ødem af uvula og de bageste ganebuer. Epiglottis var rød og hævet. Hun blev behandlet med inj. Anhypen (ampicillin) 1 g × 4 samt inj. Solu-Cortef (hydrocortison) 100 mg × 4, senere suppleret med inj. metronidazol, Ciproxin (ciprofloxacin) og senere Gentamycin (gentamicin) i relevante doser uden effekt. Venyler var uden vækst. En CT viste udtalt ødem i pharynx og hypopharynx, inkl. epiglottis. Tilstanden blev kompliceret af dissemineret intravaskulær koagulation (DIC) med perifer nekrose og gangræn samt multiorgansvigt. Patienten døde to uger efter indlæggelsen.

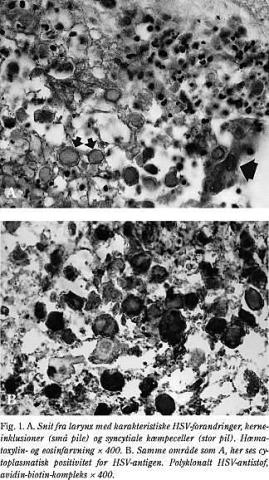
Ved sektionen sås blødninger i huden og i de indre organer samt gangræn af fingre og tæer i overensstemmelse med den klinisk påviste DIC. I lungerne fandtes svære forandringer i overensstemmelse med sent stadium af adult respiratory distress syndrome . I de øvre luftveje var der udbredt pseudomembranøs inflammation lokaliseret til epiglottis, larynx og pharynx. En mikroskopi viste klassiske herpesforandringer (Fig. 1A og Fig. 1B), og ved en supplerende immunhistokemisk undersøgelse påviste man HSV. Der var ikke tegn på generaliseret infektion i leveren og nyrerne.

Diskussion

Øvre luftvejs-infektion fremkaldt af HSV er beskrevet hos både voksne (1-4) og børn (5, 6). Hos voksne drejer det sig oftest om aktivering af latent virus, idet ca. 70% af befolkningen over 45 år har positiv HSV-titer (7). De hyppigste manifestationer er stridor, dysfoni, dysfagi og otalgi (1-6), som er uspecifikke, og en specifik diagnose kræver påvisning af HSV. Antiviral behandling (1-6) og steroider (4, 5) har en påvist effekt.

Vores tilfælde er især bemærkelsesværdig ved den ekstremt hurtige sygdomsudvikling, og den kliniske præsentation understreger sygdommens alvor. Så vidt vi ved, er det første gang, der er rapporteret om en HSV-infektion i de øvre luftveje i forbindelse med sepsis og multiorgansvigt. Det var ikke muligt postmortelt at afgøre, hvorvidt den kliniske sepsis skyldtes generalisering af HSV-infektionen eller en sekundær infektion med en anden mikroorganisme.

Konklusion

Øvre luftvejs-infektion med HSV hos voksne er en sjælden, men potentielt livstruende tilstand, der dog kan helbredes, hvis der stilles en specifik diagnose og gives antiviral behandling. Korrekt diagnose kræver påvisning af HSV ved isolation i vævskultur, antigenpåvisning, histopatologisk påvisning eller PCR. Ved manglende respons på gængs antibiotikabehandling bør svælgpodning overvejes med henblik på at kunne stille en specifik diagnose.


Halldór Bjarki Einarsson , Patologisk-anatomisk Institut, Århus Kommunehospital, Århus Universitetshospital, DK-8000 Århus C.
E-mail: halldorb78@hotmail.com

Antaget den 27. juni 2002.

Århus Universitetshospital, Århus Kommunehospital, Patologisk-anatomisk Institut og øre-, næse- og halsafdelingen.

Følgende takkes for bidrag til undersøgelsen: N.O. Jacobsen og Stephen Hamilton Dutoit , patologisk-anatomisk institut, Århus Kommunehospital, og Ulrik Pedersen , øre-, næse- og halsafdelingen, Århus Kommunehospital for faglig vejledning og kritik; bioanalytiker Tom Nordfeld for specialfarvninger fremstillet til publikationen og fotograf Anna Dalmose for billedbehandling.



Sidebar placering
Venstrestillet
Article type
Journal
Magazine
Section
References

<ol class="Litt-list">
<li>D'Angelo AJ, Zwillenberg S, Olekszyk JP, Marlowe FI, Mobini J. Adult supraglottitis due to herpes simplex virus. J Otolaryngol 1990; 19: 179-81.</li>
<li>Jeffery TV, Claudia PM, Brian W. Herpes simplex viral laryngitis. Ann Otol Rhinol Laryngol 2000; 109: 611-4.</li>
<li>Shaonzeng Z, Tonia LF, Mary AF, Celese NP. Adult herpetic laryngitis with con-current candidal infection. Arch Otolaryngol Head Neck Surg 2000; 126: 672-4.</li>
<li>Musharrafieh UM, Araj GF, Fuleihan NS. Viral supraglottitis in an adult. J Infect 1999; 39: 157-60.</li>
<li>Krause I, Schonfeld T, Ben-Ari J, Offer I, Garty BZ. Prolonged croup due to herpes simplex virus infection. Eur J Pediatr 1998; 157: 567-9.</li>
<li>Vitale JV, Saiman L, Haddad J. Herpes laryngitis and tracheitis causing respiratory distress in a neonat. Arch Otolaryngol Head Neck Surg 1993; 119: 239-40.</li>
<li>Cotran RS, Kumer V, Robbins SL. Robbins pathology basis of disease. Philadelphia: WB Saunders, 1989: 319-20.</li>
</ol>

Woodwing Id
242125
Bib ref
Ugeskr Læger 2002;164(50): 5954-5.
Authors

Stud.med. Halldór Bjarki Einarsson, Steen Jensen & Lisa Barfoed Munk Rasmussen

0 likes